产品简介
该产品主要通过信息化手段,集中进行电网设备及运维管理,包括设备台账,故障,缺陷,停电,检修计划,两票,并与各周边系统进行业务融合,提高管理的精细化水平。

覆盖电网输、变、配、低压所有电压等级的设备及其运维
满足电网省、市、县、供电所各级机构生产管理应用需求
帮助电网各级管理者掌握设备及其运维状态
提高电网在可靠性、技术、经济等方面的精益化管理水平
与ERP、GIS、营销等系统业务融合带来有效管理提升
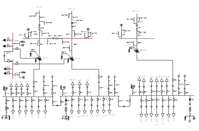
设备台账管理:设备台账覆盖了农网从低压、配电、输电、变电所有电压等级;支持以CIM为标准进行设备模型动态构造;模拟实际业务过程简化设备台账录入;以一次接线图、系统图、单线图等图形工具直观展现设备档案。
运检工作管理:以任务池、检修计划、工单、作业指导书为核心完成运检工作的标准化管理;以资源、成本为基础完成运检工作的经济性管理;以缺陷、两票、巡视、停电、故障为基础完成运检工作的专业性管理。
调营配一体化管理:集成调度SCADA系统、调度MIS系统、营销系统,实现线损管理、停电管理、业扩工程、故障处理等业务的一体化管理。
资产全寿命管理:在运维阶段的资产全寿命管理功能包括设备投运转资,资产运维成本管理,资产报废管理。
电网GIS融合应用:利用ArcGIS平台,实现设备定位、设备变更、专题图管理、电网分析等功能。
辅助决策分析:提供电网装备统计,设备缺陷分析,设备运行情况分析、设备检修分析等多维度的统计和分析。